最新资讯
      
    联系我们
- 
    衡水格鲁夫机械设备制造有限公司
地址:莲池区焦庄乡阮庄村
手机:133-3122-5020
E-Mali:china@gelufu.com
电话:0312-6784766
传真:0312-6784733
 
当前位置: 首页 > 产品展示 > 蜗轮减速机 > 正文
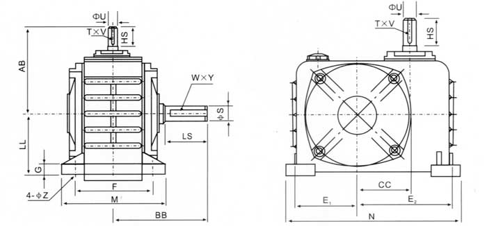
      衡水WPZ减速机
浏览次数:257420 时间:2017-10-23
 
	WPZ型蜗轮蜗杆减速机
	减速机是一种动力传达机构,利用齿轮的速度转换器,将电机(马达)的回转数减速到所要的回转数,并得到较大转矩的机构。在目前用于传递动力与运动的机构中,减速机的应用范围相当广泛。几乎在各式机械的传动系统中都可以见到它的踪迹,从交通工具的船舶、汽车、机车,建筑用的重型机具,机械工业所用的加工机具及自动化生产设备,到日常生活中常见的家电,钟表等等。其应用从大动力的传输工作,到小负荷,精确的角度传输都可以见到减速机的应用,且在工业应用上,减速机具有减速及增加转矩功能。因此广泛应用在速度与扭矩的转换设备。


 

 
    
   
     
       电子营业执照
  电子营业执照